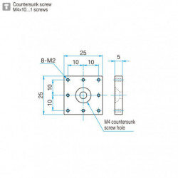
Pedestal Spacer, 25 mm

Reference number: OSE-SP-25T
Reference number: OSE-SP-25T
Need more info?
Contact our expert.
Our Team