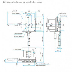
OSE-TSD-1205: XYZ axis, 120 x 120 mm

search

Reference number: OSE-TSD-1205C

Option
Model
Version
Micrometer Position
Option
Model
Version
Micrometer Position
alt

Need more info?
Contact our expert.

Our Team

Description