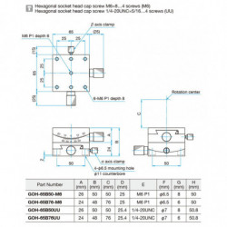
OSE-GOH-65B: Goniometers, 65 x 65 mm

Reference number: OSE-GOH-65B50-M6
Reference number: OSE-GOH-65B50-M6
Need more info?
Contact our expert.
Our Team
Description