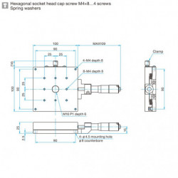
OSE-TAM-1001: X -Achsen, 100 x 100 mm

Artikel-Nr.: OSE-TAM-1001C
Artikel-Nr.: OSE-TAM-1001C
Für mehr Infos
Experten kontaktieren
Notre équipe
Beschreibung